Branżowy Portal Internetowy
Zobacz katalog firm
Strona główna
Kategorie
Artykuły
Technologie
Inne
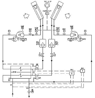
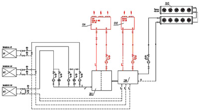
Odzysk ciepła w aparacie do schładzania wody lodowej na przykładzie zakładu metalizacji folii
Odzysk ciepła w aparacie do schładzania wody lodowej na przykładzie zakładu metalizacji folii